Electrical Drawings Services

Get precise 2D Electrical Drawings Services for layouts, wiring, loads and panels. Improve safety, coordination, and approvals. Request an expert quote now!

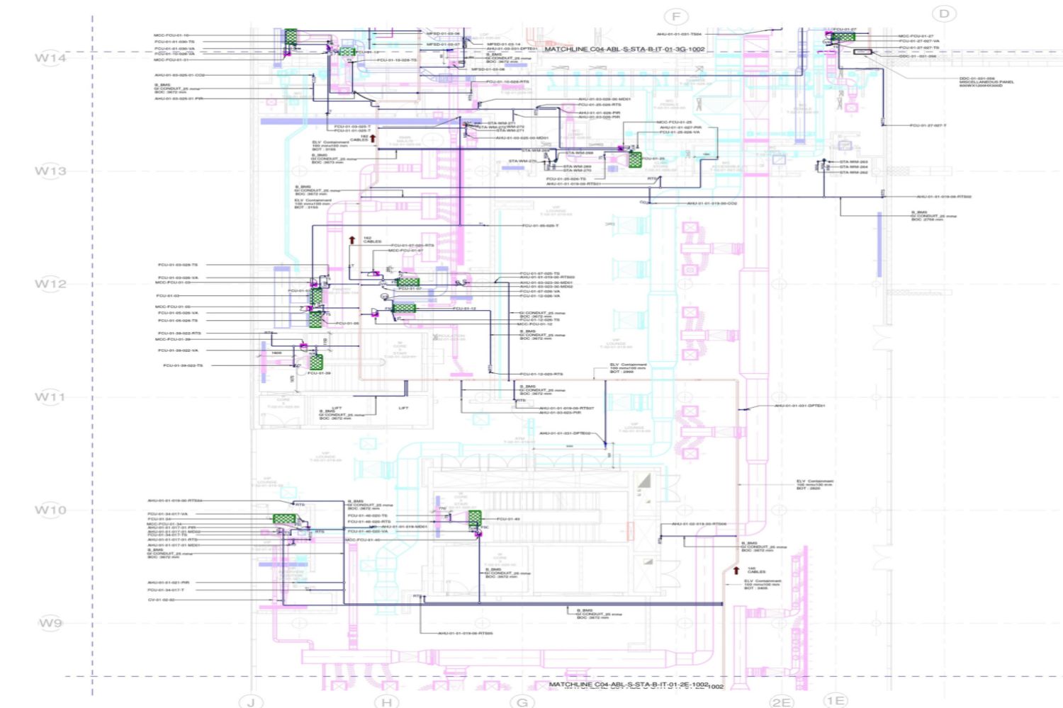
2D AutoCAD Electrical Drawings Services

Electrical Drawings Services 1
Electrical Drawings Services 2

2D AutoCAD Electrical Drawing Services

BimOffis offers professional 2D AutoCAD Electrical Drawing Services to improve the accuracy, safety, and efficiency of your electrical designs. We deliver precise and code-compliant electrical plans, electrical schematic drawings, electrical blueprints, and complete electrical drafting solutions customized for residential, commercial, and industrial projects, following standards like the National Electrical Code (NEC) by the National Fire Protection Association.

Electrical Drawing Services We Provide

Our team creates detailed electrical shop drawings, single-line electrical drawings, electrical layout drawings, wiring diagrams, load calculations, circuiting plans, lighting layouts, electrical substation drawings, and power distribution maps that ensure clear communication between engineers, contractors, and installers.

Whether you need electrical outlet drawings, accurate electrical panel layouts, or complete electrical plans for a house, we provide documentation that speeds up approvals, reduces errors, and supports seamless installation. Our drafting workflows are based on industry tools like AutoCAD to maintain precision and consistency.

Why Choose Our 2D Electrical Drafting Services

Using AutoCAD standards and NEC-compliant detailing, we deliver highly accurate drawings that eliminate site conflicts and reduce costly rework. From new construction to renovations, our 2D electrical drafting ensures every switch, fixture, panel, and conduit is clearly defined and properly coordinated.

BimOffis combines technical expertise, fast turnaround, and affordable pricing to simplify your electrical design process. Get reliable, precise, and professionally drafted electrical drawings – contact us today for a customized quote!

Electrical Drawing Services Worldwide

We offer our Electrical Drawing Services in key markets worldwide, including the USA, UK, Canada, Mexico, Australia, New Zealand, Europe (Germany, Switzerland, Liechtenstein, Gibraltar, France, Spain, Belgium, Norway, Italy, Turkey, Greece, Slovakia, Austria, Poland, Netherlands, Sweden, Romania, Bulgaria, Denmark, Finland, Portugal, Malta, Bosnia and Herzegovina), UAE, and many more. Start your project today!

Ready to Work with us?

We establish long-term business relationships with our clients and are
committed to complete customer satisfaction. We would love to know
about your next project.

Industries We Serve

Architectural

Engineering

Construction

Laser Surveying

Real-Estate

Manufacturing

Residential

Commercial

Amphitheater

Facilities Management

Industrial

Entertainment

Our Software Expertise

AutoDesk AutoCAD
Graphisoft Archicad
Tekla
Synchro Software
SolidWorks
SketchUp
AUTODESK NAVISWORKS
Hexagon
AUTODESK FORGE
Bluebeam

Recent Projects

Why Choose BimOffis for your Electrical Drawings Project

Choose BimOffis for 2D Electrical Drawings and get precise, code-compliant plans, fast delivery, and expert AutoCAD detailing. We ensure accurate layouts, wiring diagrams, and panel schedules that speed approvals and eliminate onsite errors. Get reliable electrical drafting – request a quote today.

High-Accuracy Drafting

We provide Error-free schematics, layouts, and wiring diagrams every time.

Expert Electrical Drafters

Our skilled AutoCAD professionals delivering precise electrical drawings.

Code-Compliant Outputs

Drawings aligned with NEC, IEC, and project electrical standards.

Cost-Effective Electrical Services

Affordable pricing with high-quality, dependable outputs.

Why Choose Bimoffis

Fast Turnaround Delivery

Quick drafting timelines without compromising quality.

Customized Drawing Standards

Drafting customized to your templates, symbols, and preferences.

Seamless Coordination

Clear drawings that improve contractor and onsite communication.

Complete Electrical Documentation

From SLDs to panel layouts-full project drafting support.

Our Testimonials

Sophia Martinez
Sophia MartinezBIM Consulting Lead
Exceptional & evident professionalism from the start. Surpassed expectations in delivering BIM Consulting Services, a testament to service quality. Grateful!
Maria Jenkins
Maria JenkinsBIM Project Manager
We would like to take the opportunity to express our delight with the progress in BIM Modeling Services. We're thrilled with the efficiency & quality of service that has impressed us.
William Berkey
William BerkeyBIM Advisory Specialist
We are very happy with the finished result and BimOffis as a great BIM Consultant for seeing the potential that we would never have seen ourselves.
James Anderson
James AndersonProject Manager
Accurate CAD to BIM conversion with excellent coordination. Models were clean, detailed, and delivered on time.
Robert Wilson
Robert WilsonStructural Engineer
Outstanding 3D structural modeling quality. The team understood design intent perfectly and delivered clash-free models.
Emily Thompson
Emily ThompsonBIM Coordinator
Scan to BIM results exceeded expectations. High accuracy, clear LOD, and reliable support throughout the project.

Related Services

Frequently Asked Questions from Clients

How much do 2D AutoCAD Electrical Drawing Services cost?

Costs depend on project size, complexity, and deliverables.

Electrical plans show circuits, outlets, panels, and wiring paths to ensure safety, code compliance, and smooth installation.

A schematic shows electrical connections, circuits, and components in a simplified diagram for planning and troubleshooting.

Blueprints provide full-scale, detailed drawings for fabrication and installation, reducing errors and delays.

Layout drawings show the placement of outlets, panels, and wiring routes, helping engineers and contractors avoid clashes.

They define exact positions, wiring, and connections for proper installation.

Yes, detailed 2D plans ensure all wiring, lighting, panels, and outlets are safe and code-compliant.

Get a Quote Today

Drop us a line below, and we’ll be in touch.

Our Latest Blogs

Scroll to Top

Get a Quotation on Your Project